Elektronik und Arduino Projekte
2025-12-27
Mein letztes vorbereitetes Beleuchtungsmodul habe ich in der Pilatus Porter verbaut. Nun denn, die alten Unterlagen rausgekramt und schnell ein paar neue gelötet...
Dachte ich...
Das hat leider so nicht funktioniert, da der u.g. Arduino-Sketch (UniPWM) aus mir nicht erfindlichen Gründen leider nicht mehr zum Laufen zu bringen war...
Also gut, im Netz nach was neuem gesucht UND im Forum RCGroups.com fündig geworden: Anders Hoglund hat bei GitHub einige passende Sketches hinterlegt. Dies war für mich wichtig, da ich zwar in Lage bin einige kleine Anpassungen in den Sketches vorzunehmen, meine Programmierkenntnisse aber meilenweit davon entfernt sind, einen komplett neuen Sketch zu programmieren.
Nun, der neue Sketch läuft prima und ich habe auch gleich ein paar Hardware Anpassungen vorgenommen.
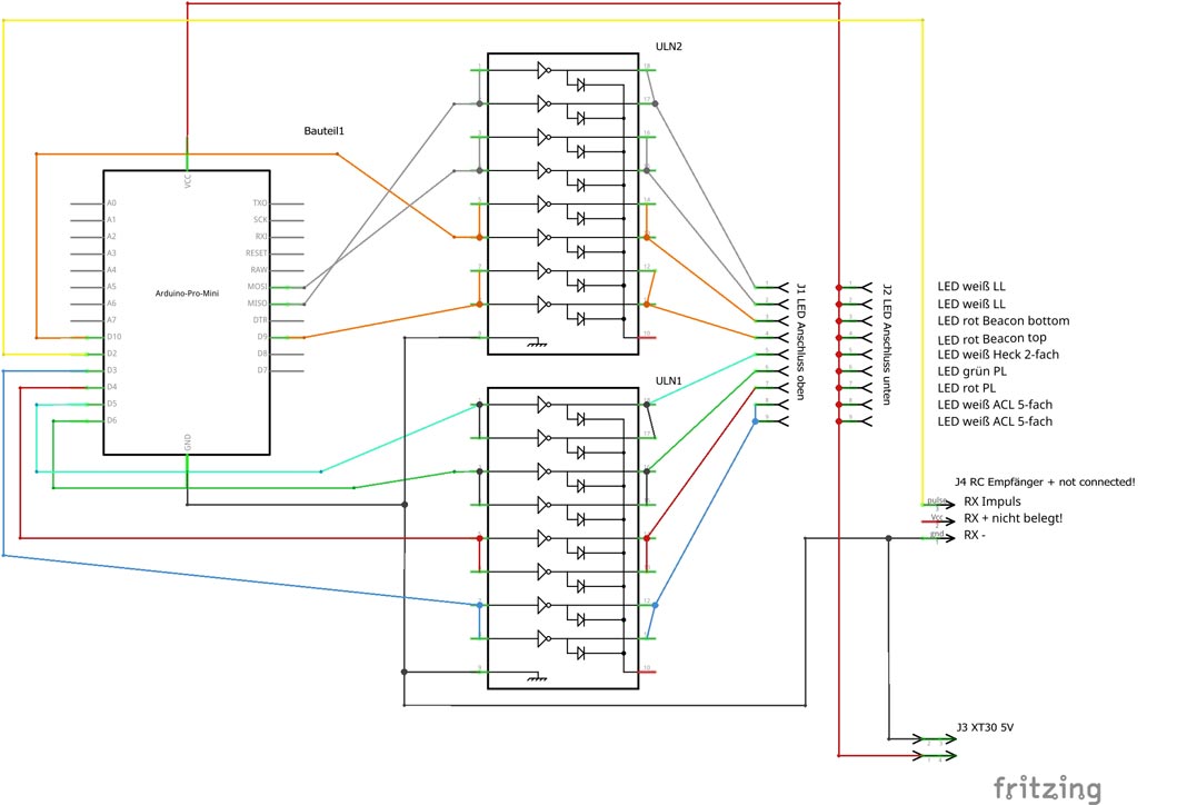
1. Habe ich den Arduino Nano gegen einen Pro Mini getauscht und
2. Die Mosfets und Widerstände durch 2 ULN2803A ersetzt.
Das hat den Vorteil, dass ich deutlich weniger Lötarbeit habe, das fertige Beleuchtungsmodul relativ klein bleibt und ich trotzdem 1-3W LEDs verbauen kann. Wichtig war mir auch, dass die Bauteile im Falle eines Defekts schnell getauscht werden können, weshalb ich sowohl für die Chips, alsauch für den Arduino Steckfassungen eingelötet habe.
Für die 1 bzw. 3W LEDs habe ich mir noch Kühlkörper angefertigt. Einfach ein 10mm Alu-Rundstab aus dem Baumarkt auf die passende Länge gesägt, Kabeldurchführungen gebohrt, Gewinde für die Befestigungsschrauben geschnitten und Kühlrippen auf der Drehbank angebracht. Zum Schluss nur noch die LEDs mit Sekundenkleber aufgeklebt und Kabel verlötet. Dauert ein bisschen, kostet aber fast nix, besonders wenn man die LEDs für ca. 10 cent/Stk beim Ali kauft. In der Pilatus habe ich genau diese LEDs mit Kühlkörpern drin und selbst im Sommer hat es bisher noch keine Kühlprobleme gegeben.
2020-02-06
Über den Winter Ende 2019 wollte ich gerne meine BAe 146 - nachdem sie nun endlich wieder fliegt - mit Folie etwas aufhübschen. Dabei soll sie gleichzeitig eine Beleuchtung bekommen.
Weil die Elektronik dazu für mein Gefühl und meinen Geldbeutel etwas teuer ist, habe ich mich mal im Web umgeschaut, ob es da nicht eine günstigere Lösung gibt. Wichtig war allerdings, dass die verwendeten LED's auch am Tage einigermaßen gut zu sehen sind. Mit dem MPX Power Multilight hatte ich diesbezüglich da ja schon sehr gute Erfahrungen gemacht. Das war also meine Referenz.
Bei rc-heli.de habe ich dann genau das gefunden, was ich gesucht habe:
Beleuchtungsmodul auf Arduino-Nano-Basis (Open-Source)
Dort hat ein User genau so eine Elektronik wie ich sie mir gewünscht habe vorgestellt.
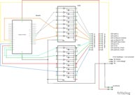
Als Basis dient ein Arduino Nano. Den entsprechenden Sketch für den Arduino hat er ebenfalls gleich veröffentlicht. Ich habe mir dann gleich ein Lernset von Funduino.de bestellt und versucht mich langsam in die Materie einzuarbeiten. Der erste Step war ein Aufbau auf einem Breadboard.
Gleichzeitig habe ich mich noch in das Schaltplan- und Leiterplattenprogramm Autodesk Eagle eingearbeitet.
Nach einiger Zeit im zweiten Step habe ich es dann geschafft, den Sketch nach meinen Wünschen anzupassen und eine Beleuchtungssteuerung auf einer Lochrasterplatine zusammenzulöten, die oh Wunder 🤪 auf Anhieb super funktioniert hat.
Da das ganze Modul mir aber etwas zu schwer und zu groß war, habe ich im dritten Step das ganze noch in SMD Technik aufgebaut. Und auch dieses zweite Modul lief auf Anhieb perfekt. 🙂
Allerdings habe ich mich kurzfristig dazu entschlossen:
1. die Vorwiderstände für die LEDs wegzulassen. Dadurch ist man flexibler und kann von Standard-LEDs über 0,5W LEDs bis zu 1 oder 3W Leds alles verwenden. Man muss natürlich die passenden Widerstände in die Zuleitung zur jeweiligen LED einlöten. Und
2. Die Mosfets nicht direkt auf die Lochrasterplatine sondern auf kleine Adapterplatinen zu löten. Auf Lochraster passt es nicht so 100%ig und außerdem kann man die Adapterplatinen einfach auslöten, wenn mal ein Mosfet den Geist aufgibt. Aus demselben Grund habe ich auch den Arduino nicht verlötet, sondern in Buchsenleisten gesteckt.




























